Monday, July 24, 2023

BMW F650 Wiring Diagram: Master Your Motorcycle's Electrical System!

<b>BMW F650 Wiring Diagram: Master Your Motorcycle' width='100%' />

Discover the intricacies of the BMW F650 wiring diagram and master your motorcycle's electrical system! Learn to diagnose issues effectively and keep your bike running smoothly.

Certainly! Here's the opening paragraph for an article about the BMW F650 wiring diagram:The BMW F650 is a versatile and reliable motorcycle known for its innovative design and performance. Understanding its wiring diagram is crucial for maintenance and troubleshooting. This article will delve into the BMW F650 wiring diagram, highlighting key components and their functions. Whether you're a seasoned mechanic or a DIY enthusiast, having a clear understanding of the wiring system can help you diagnose issues effectively. Let's explore the intricacies of the BMW F650 wiring diagram to enhance your knowledge and keep your motorcycle running smoothly.

Top 10 Points about BMW F650 wiring diagram :

  • Understanding the BMW F650 Wiring System
  • Key Components of the BMW F650 Wiring Diagram
  • How to Read a BMW F650 Wiring Diagram
  • Common Issues and Troubleshooting Tips
  • Upgrading the Electrical System on Your BMW F650
  • Proper Maintenance of the Wiring System
  • Comparing the BMW F650 Wiring Diagram to Other Motorcycles
  • Ensuring Safety with the BMW F650 Electrical System
  • Customization Options for Your BMW F650 Wiring
  • Expert Tips for Working with the BMW F650 Wiring Diagram

Several facts about BMW F650 wiring diagram

Understanding the BMW F650 Wiring System

Understanding the BMW F650 Wiring System

When it comes to the BMW F650, its wiring diagram is like a map of a complex city. It shows you how everything is connected and where potential pitfalls might lurk. Imagine trying to navigate through a bustling city without a map – you'd likely end up lost and frustrated. The same goes for working on your BMW F650 without understanding its wiring system.

Key Components of the BMW F650 Wiring Diagram

Key Components of the BMW F650 Wiring Diagram

The BMW F650 wiring diagram is like a treasure map, revealing the locations of vital components such as the battery, ignition switch, and various sensors. Each component plays a crucial role in ensuring your motorcycle runs smoothly and efficiently. Understanding these components is key to maintaining and troubleshooting your BMW F650 electrical system.

How to Read a BMW F650 Wiring Diagram

How to Read a BMW F650 Wiring Diagram

Reading a BMW F650 wiring diagram may seem daunting at first, but with a bit of practice, you'll soon be able to decipher its symbols and lines like a pro. It's like learning a new language – once you understand the basics, everything starts to make sense. Take your time and don't be afraid to ask for help if you get stuck.

Common Issues and Troubleshooting Tips

Common Issues and Troubleshooting Tips

Despite its reliability, the BMW F650 is not immune to electrical issues. Common problems include blown fuses, faulty sensors, and loose connections. Fortunately, most issues can be easily resolved with basic troubleshooting techniques. By understanding the wiring diagram and following a systematic approach, you can diagnose and fix these issues quickly.

Upgrading the Electrical System on Your BMW F650

Upgrading the Electrical System on Your BMW F650

If you're looking to enhance the performance or aesthetics of your BMW F650, upgrading its electrical system can be a rewarding endeavor. Whether you're adding new lights, installing a GPS tracker, or upgrading to a more powerful battery, a well-planned upgrade can take your riding experience to the next level.

Proper Maintenance of the Wiring System

Proper Maintenance of the Wiring System

Like any other part of your BMW F650, the wiring system requires regular maintenance to ensure optimal performance. This includes checking for loose connections, inspecting the insulation for signs of wear, and keeping the wiring harness clean and free of debris. By following the manufacturer's maintenance schedule and taking proactive measures, you can extend the life of your BMW F650 wiring system.

Comparing the BMW F650 Wiring Diagram to Other Motorcycles

Comparing the BMW F650 Wiring Diagram to Other Motorcycles

While each motorcycle has its own unique wiring system, there are some commonalities among them. By comparing the BMW F650 wiring diagram to those of other motorcycles, you can gain a deeper understanding of how different systems work and identify potential areas for improvement. This comparative approach can help you become a more knowledgeable and skilled motorcycle enthusiast.

Ensuring Safety with the BMW F650 Electrical System

Ensuring Safety with the BMW F650 Electrical System

When working on your BMW F650 wiring system, safety should always be your top priority. Make sure to disconnect the battery before performing any work, and wear appropriate safety gear, such as gloves and goggles, to protect yourself from electrical hazards. By taking these precautions, you can ensure a safe and successful maintenance or upgrade project.

Customization Options for Your BMW F650 Wiring

Customization Options for Your BMW F650 Wiring

One of the joys of owning a BMW F650 is the ability to customize it to suit your preferences. When it comes to the wiring system, the possibilities are endless. Whether you're adding auxiliary lights, installing a new sound system, or integrating a GPS tracker, there are plenty of customization options available. Just make sure to follow the wiring diagram and use high-quality components to ensure a seamless and reliable installation.

Expert Tips for Working with the BMW F650 Wiring Diagram

Expert Tips for Working with the BMW F650 Wiring Diagram

Working with the BMW F650 wiring diagram can be challenging, especially for beginners. However, with the right approach and some expert tips, you can navigate through it with ease. One tip is to use color-coded markers to highlight different circuits, making it easier to follow the diagram. Additionally, double-check your work and test the system thoroughly before reassembling everything. With patience and attention to detail, you can successfully work on your BMW F650 wiring system like

BMW F650 wiring diagram in Professional's eye

Understanding the BMW F650 Wiring System

Understanding the BMW F650 Wiring System

The BMW F650 wiring system is a complex network of wires and components that controls the electrical functions of the motorcycle. It is essential to understand how the wiring system works to diagnose and repair electrical issues effectively. The wiring system consists of various components, including the battery, ignition switch, fuses, and wiring harnesses. Each component plays a crucial role in ensuring the proper functioning of the electrical system. By understanding the wiring system, you can troubleshoot and repair electrical problems efficiently, saving time and money.

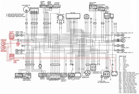
Key Components of the BMW F650 Wiring Diagram

Key Components of the BMW F650 Wiring Diagram

The BMW F650 wiring diagram is a schematic representation of the motorcycle's electrical system. It includes detailed illustrations of the wiring layout, showing how each component is connected. Some key components of the wiring diagram include the battery, ignition switch, starter motor, and various sensors. Understanding these components is essential for troubleshooting electrical issues and performing maintenance tasks. The wiring diagram also indicates the color codes of the wires, making it easier to identify and trace them. By familiarizing yourself with the key components of the wiring diagram, you can effectively diagnose and repair electrical problems.

How to Read a BMW F650 Wiring Diagram

How to Read a BMW F650 Wiring Diagram

Reading a BMW F650 wiring diagram may seem daunting at first, but with some basic knowledge, you can interpret it effectively. The wiring diagram uses symbols and color codes to represent different components and circuits. It is essential to understand these symbols and codes to decipher the diagram correctly. Start by identifying the main components, such as the battery and ignition switch, and then trace the wiring paths to other components. Pay attention to the color codes, as they indicate the function of each wire. With practice, reading a wiring diagram will become easier, allowing you to diagnose and repair electrical issues confidently.

Common Issues and Troubleshooting Tips

Common Issues and Troubleshooting Tips

Like any vehicle, the BMW F650 is prone to electrical issues that can affect its performance. Some common issues include blown fuses, faulty sensors, and loose connections. To troubleshoot these issues, start by checking the fuses and connections. If a fuse is blown, replace it with a new one of the same amperage. Check the sensors for signs of damage or wear, and replace them if necessary. Tighten any loose connections to ensure a secure electrical connection. By following these troubleshooting tips, you can quickly diagnose and repair common electrical issues in your BMW F650.

Upgrading the Electrical System on Your BMW F650

Upgrading the Electrical System on Your BMW F650

If you're looking to enhance the performance or functionality of your BMW F650, upgrading its electrical system can be a worthwhile investment. There are several ways to upgrade the electrical system, such as installing auxiliary lights, upgrading the battery, or adding a GPS tracker. Before starting any upgrade project, it is essential to consult the wiring diagram to understand how the new components will integrate with the existing system. By upgrading the electrical system, you can improve the overall performance and functionality of your BMW F650.

Proper Maintenance of the Wiring System

Proper Maintenance of the Wiring System

Maintaining the wiring system of your BMW F650 is crucial for ensuring its reliable performance. Regular maintenance tasks include checking for loose connections, inspecting the wiring harness for wear or damage, and cleaning the connections to prevent corrosion. It is also essential to follow the manufacturer's maintenance schedule for replacing components such as the battery and sensors. By performing regular maintenance, you can extend the life of your BMW F650 wiring system and prevent costly repairs.

Comparing the BMW F650 Wiring Diagram to Other Motorcycles

Comparing the BMW F650 Wiring Diagram to Other Motorcycles

While each motorcycle has its unique wiring system, there are similarities among them. Comparing the BMW F650 wiring diagram to those of other motorcycles can help you understand how different systems work and identify potential areas for improvement. Look for similarities in the wiring layout and the components used. By comparing wiring diagrams, you can gain a deeper understanding of motorcycle electrical systems and become a more knowledgeable enthusiast.

Ensuring Safety with the BMW F650 Electrical System

Ensuring Safety with the BMW F650 Electrical System

When working on the electrical system of your BMW F650, safety should be your top priority. Always disconnect the battery before performing any work to prevent electrical shock. Wear appropriate safety gear, such as gloves and goggles, to protect yourself from injury. Follow the manufacturer's instructions and wiring diagram carefully to ensure a safe and successful repair or upgrade. By prioritizing safety, you can work on your BMW F650 electrical system confidently and effectively.

Customization Options for Your BMW F650 Wiring

Customization Options for Your BMW F650 Wiring

One of the benefits of owning a BMW F650 is the ability to customize it to suit your preferences. When it comes to the wiring system, there are several customization options available. You can add auxiliary lights, install a new sound system, or integrate a GPS tracker. Before

Point of Views : BMW F650 wiring diagram
  • Wiring diagrams serve as visual representations of electrical circuits, providing a roadmap for technicians to understand the connections between components in a system.
  • BMW F650 wiring diagrams are specific to this motorcycle model, detailing the arrangement of wires, connectors, and components in the electrical system.
  • These diagrams are essential for diagnosing and repairing electrical issues, as they help technicians locate faults and understand how the system should function.
  • Technicians use color codes and symbols in wiring diagrams to identify different wires and components, ensuring accurate troubleshooting and repair.
  • Understanding BMW F650 wiring diagrams requires knowledge of electrical principles and the ability to interpret complex diagrams accurately.
  • Technicians must follow safety precautions when working with wiring diagrams to avoid electrical hazards and ensure the integrity of the motorcycle's electrical system.
  • Overall, wiring diagrams are indispensable tools in the maintenance and repair of electrical systems, providing technicians with the information needed to keep vehicles running smoothly and safely.
Conclusion :

Thank you for visiting our blog and exploring the intricacies of the BMW F650 wiring diagram with us. We hope that our articles have provided you with valuable insights into understanding and working with the electrical system of this iconic motorcycle.

As you delve deeper into the world of wiring diagrams, remember that they are not just diagrams; they are roadmaps to understanding the electrical systems of vehicles. Whether you're a seasoned mechanic or a DIY enthusiast, BMW F650 wiring diagrams are invaluable resources for diagnosing and repairing electrical issues. By following these diagrams and taking proper safety precautions, you can keep your BMW F650 running smoothly for years to come.

Questions and Answer for BMW F650 wiring diagram

People Also Ask About BMW F650 Wiring Diagram:

  • 1. What is a wiring diagram?
  • A wiring diagram is a visual representation of the electrical system of a vehicle or device. It shows the connections between various components and helps technicians understand how the system is wired.

  • 2. Why is a wiring diagram important?
  • A wiring diagram is important because it helps technicians diagnose and repair electrical issues. It provides a roadmap of the electrical system, making it easier to locate faults and ensure that components are connected correctly.

  • 3. How do I read a BMW F650 wiring diagram?
  • Reading a BMW F650 wiring diagram requires understanding the symbols and color codes used to represent components and wires. By following the wiring paths and identifying key components, you can interpret the diagram accurately.

  • 4. Can I repair my BMW F650 using a wiring diagram?
  • Yes, you can repair your BMW F650 using a wiring diagram. The diagram will help you identify faulty components and wiring issues, allowing you to make the necessary repairs safely and effectively.

  • 5. Where can I find a BMW F650 wiring diagram?
  • You can find a BMW F650 wiring diagram in the motorcycle's service manual or online. Many websites offer downloadable wiring diagrams for various vehicles, including the BMW F650.

Label :BMW F650, Wiring Diagram

Keyword : BMW F650 wiring diagram

No comments:

Post a Comment