Tuesday, August 29, 2023

Bajaj Pulsar Wiring Diagram: Master Your Motorcycle's Electrical System!

<b>Bajaj Pulsar Wiring Diagram: Master Your Motorcycle' width='100%' />

Bajaj Pulsar Wiring Diagram: Learn how to understand and work with your motorcycle's electrical system efficiently. Master troubleshooting, maintenance, and modifications.

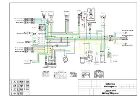
Bajaj Pulsar Wiring Diagram is an essential guide for understanding the electrical system of the popular motorcycle model. Whether you're a mechanic, enthusiast, or owner, this wiring diagram provides crucial insights into the intricate network of wires and connections that power the Pulsar. By following this diagram, you can easily troubleshoot electrical issues, perform maintenance tasks, or even modify the bike's electrical setup. Understanding the wiring diagram is like deciphering a blueprint of the Pulsar's electrical system, allowing you to make informed decisions about repairs and upgrades. This article will delve into the details of the Bajaj Pulsar's wiring diagram, providing clarity and guidance for anyone dealing with its electrical components.

Top 10 Points about Bajaj pulsar wiring diagram :

  • Introduction to Bajaj Pulsar's Electrical System
  • Components of the Bajaj Pulsar Wiring Diagram
  • Understanding Wiring Diagram Symbols
  • Common Wiring Issues and Troubleshooting
  • Upgrading the Electrical System of Your Bajaj Pulsar
  • Importance of Following the Wiring Diagram
  • Step-by-Step Guide to Reading the Wiring Diagram
  • Comparing the Wiring Diagram of Bajaj Pulsar with Other Models
  • Expert Tips for Working with the Bajaj Pulsar Wiring Diagram
  • Conclusion: Mastering Your Bajaj Pulsar's Electrical System

Several facts about Bajaj pulsar wiring diagram

Introduction to Bajaj Pulsar's Electrical System

Introduction to Bajaj Pulsar's Electrical System

The Bajaj Pulsar is renowned for its sleek design and powerful performance, but its intricate electrical system is equally impressive. Understanding the wiring diagram of the Bajaj Pulsar is crucial for anyone looking to delve into its electrical components. From the ignition system to the lighting and accessories, the wiring diagram provides a roadmap of the bike's electrical circuitry.

Components of the Bajaj Pulsar Wiring Diagram

Components of the Bajaj Pulsar Wiring Diagram

The wiring diagram of the Bajaj Pulsar includes various components that work together to ensure the proper functioning of the bike's electrical system. These components include the battery, alternator, starter motor, ignition switch, fuses, relays, and various sensors.

Understanding Wiring Diagram Symbols

Understanding Wiring Diagram Symbols

Wiring diagram symbols are universal and are used to represent various components and connections in a circuit. Understanding these symbols is essential for interpreting the wiring diagram accurately. Common symbols include lines, representing wires, and various shapes representing components such as resistors, capacitors, and switches.

Common Wiring Issues and Troubleshooting

Common Wiring Issues and Troubleshooting

Despite its reliability, the Bajaj Pulsar may encounter common wiring issues such as loose connections, blown fuses, or faulty components. Troubleshooting these issues involves following the wiring diagram carefully, using a multimeter to test for continuity, and inspecting the wiring harness for damage.

Upgrading the Electrical System of Your Bajaj Pulsar

Upgrading the Electrical System of Your Bajaj Pulsar

For enthusiasts looking to enhance their Bajaj Pulsar's electrical system, the wiring diagram serves as a valuable tool. Whether adding new lighting, accessories, or upgrading to a higher-output alternator, the wiring diagram provides the necessary guidance for a successful upgrade.

Importance of Following the Wiring Diagram

Importance of Following the Wiring Diagram

The wiring diagram is like a map that guides you through the intricate network of wires and connections in your Bajaj Pulsar's electrical system. Following the diagram ensures that you make the right connections, avoid short circuits, and maintain the overall reliability of the electrical system.

Step-by-Step Guide to Reading the Wiring Diagram

Step-by-Step Guide to Reading the Wiring Diagram

Reading a wiring diagram can seem daunting at first, but with a systematic approach, it becomes easier. Start by identifying the main components and their connections, then trace the circuits using the symbols and color codes provided in the diagram.

Comparing the Wiring Diagram of Bajaj Pulsar with Other Models

Comparing the Wiring Diagram of Bajaj Pulsar with Other Models

Comparing the wiring diagram of the Bajaj Pulsar with those of other motorcycle models can provide insights into common design practices and differences in electrical systems. This comparison can be useful for mechanics and enthusiasts seeking to understand the unique features of the Bajaj Pulsar's electrical system.

Expert Tips for Working with the Bajaj Pulsar Wiring Diagram

Expert Tips for Working with the Bajaj Pulsar Wiring Diagram

Working with a wiring diagram requires attention to detail and a methodical approach. Start by familiarizing yourself with the symbols and color codes used in the diagram. Use a multimeter to test for continuity and voltage, and always double-check your connections before powering up the system.

Conclusion: Mastering Your Bajaj Pulsar's Electrical System

Conclusion: Mastering Your Bajaj Pulsar's Electrical System

The wiring diagram of the Bajaj Pulsar is a valuable tool for anyone looking to understand and work with its electrical system. By mastering the diagram, you can troubleshoot issues, perform maintenance tasks, and even upgrade the bike's electrical system with confidence.

Sources:

  • Bajaj Pulsar Service Manual
  • Electrical Engineering Basics
  • Motorcycle Electrical Systems Guide

Bajaj pulsar wiring diagram in Professional's eye

Introduction to Bajaj Pulsar's Electrical System

Bajaj Pulsar Wiring Diagram is a crucial component for understanding the electrical system of this popular motorcycle model. The wiring diagram provides a detailed overview of the electrical components and their interconnections, making it an invaluable resource for mechanics, enthusiasts, and owners alike. By following the wiring diagram, one can easily troubleshoot electrical issues, perform maintenance tasks, or even modify the bike's electrical setup.

Components of the Bajaj Pulsar Wiring Diagram

Components of the Bajaj Pulsar Wiring Diagram

The wiring diagram of the Bajaj Pulsar includes various components that work together to ensure the proper functioning of the bike's electrical system. These components include the battery, alternator, starter motor, ignition switch, fuses, relays, and various sensors. Each component plays a critical role in powering different parts of the motorcycle and must be correctly connected according to the wiring diagram.

Understanding Wiring Diagram Symbols

Understanding Wiring Diagram Symbols

Wiring diagram symbols are universal and are used to represent various components and connections in a circuit. Understanding these symbols is essential for interpreting the wiring diagram accurately. Common symbols include lines, representing wires, and various shapes representing components such as resistors, capacitors, and switches.

Common Wiring Issues and Troubleshooting

Common Wiring Issues and Troubleshooting

Despite its reliability, the Bajaj Pulsar may encounter common wiring issues such as loose connections, blown fuses, or faulty components. Troubleshooting these issues involves following the wiring diagram carefully, using a multimeter to test for continuity, and inspecting the wiring harness for damage.

Upgrading the Electrical System of Your Bajaj Pulsar

Upgrading the Electrical System of Your Bajaj Pulsar

For enthusiasts looking to enhance their Bajaj Pulsar's electrical system, the wiring diagram serves as a valuable tool. Whether adding new lighting, accessories, or upgrading to a higher-output alternator, the wiring diagram provides the necessary guidance for a successful upgrade.

Importance of Following the Wiring Diagram

Importance of Following the Wiring Diagram

The wiring diagram is like a map that guides you through the intricate network of wires and connections in your Bajaj Pulsar's electrical system. Following the diagram ensures that you make the right connections, avoid short circuits, and maintain the overall reliability of the electrical system.

Step-by-Step Guide to Reading the Wiring Diagram

Step-by-Step Guide to Reading the Wiring Diagram

Reading a wiring diagram can seem daunting at first, but with a systematic approach, it becomes easier. Start by identifying the main components and their connections, then trace the circuits using the symbols and color codes provided in the diagram.

Comparing the Wiring Diagram of Bajaj Pulsar with Other Models

Comparing the Wiring Diagram of Bajaj Pulsar with Other Models

Comparing the wiring diagram of the Bajaj Pulsar with those of other motorcycle models can provide insights into common design practices and differences in electrical systems. This comparison can be useful for mechanics and enthusiasts seeking to understand the unique features of the Bajaj Pulsar's electrical system.

Expert Tips for Working with the Bajaj Pulsar Wiring Diagram

Expert Tips for Working with the Bajaj Pulsar Wiring Diagram

Working with a wiring diagram requires attention to detail and a methodical approach. Start by familiarizing yourself with the symbols and color codes used in the diagram. Use a multimeter to test for continuity and voltage, and always double-check your connections before powering up the system.

Conclusion: Mastering Your Bajaj Pulsar's Electrical System

Conclusion: Mastering Your Bajaj Pulsar's Electrical System

The wiring diagram of the Bajaj Pulsar is a valuable tool for anyone looking to understand and work with its electrical system. By mastering the diagram, you can troubleshoot issues, perform maintenance tasks, and even upgrade the bike's electrical system with confidence.

Point of Views : Bajaj pulsar wiring diagram
  • Understanding the Wiring Diagram: The Bajaj Pulsar wiring diagram is a comprehensive visual representation of the motorcycle's electrical system. It details the connections between various components such as the battery, alternator, ignition switch, and lights. This diagram is essential for troubleshooting electrical issues, performing maintenance, and making modifications to the electrical system.
  • Importance of Accuracy: Accuracy is paramount when using the wiring diagram to avoid electrical malfunctions or damage to components. Following the diagram precisely ensures that each connection is made correctly, preventing short circuits or other issues.
  • Reference for Maintenance: The wiring diagram serves as a reference guide for mechanics and enthusiasts performing maintenance tasks on the Bajaj Pulsar's electrical system. It provides a clear overview of the system's layout and helps identify potential problem areas.
  • Enhancing Understanding: Studying the wiring diagram can enhance one's understanding of the Bajaj Pulsar's electrical system. It reveals the intricate network of wires and components, giving insight into how the system functions as a whole.
  • Guide for Modifications: For those looking to modify their Bajaj Pulsar's electrical system, the wiring diagram is an indispensable tool. It provides guidance on how to safely add or remove components, ensuring that the modifications are done correctly.
Conclusion :

Thank you for exploring the Bajaj Pulsar wiring diagram with us. We hope this article has provided valuable insights into understanding and working with your motorcycle's electrical system. By following the wiring diagram, you can effectively troubleshoot issues, perform maintenance tasks, and even upgrade your Bajaj Pulsar's electrical setup.

Remember, the wiring diagram is your guide to mastering your Bajaj Pulsar's electrical system. Whether you're a mechanic looking to diagnose a problem or an enthusiast seeking to enhance your bike's performance, the wiring diagram is a powerful tool at your disposal. Stay tuned for more informative articles on wiring diagrams and other motorcycle maintenance topics.

Questions and Answer for Bajaj pulsar wiring diagram

People also ask about Bajaj Pulsar wiring diagram:

  • 1. What is a wiring diagram?
  • A wiring diagram is a visual representation of the electrical system of a vehicle or device. It shows the connections between various components, such as wires, connectors, and sensors, and how they are related to each other.

  • 2. Why is a wiring diagram important?
  • A wiring diagram is important because it helps to understand the electrical system of a vehicle or device. It can be used to troubleshoot electrical issues, perform maintenance tasks, or modify the electrical setup.

  • 3. How do I read a wiring diagram?
  • Reading a wiring diagram involves understanding the symbols and colors used to represent different components and connections. It also requires following the lines to trace the flow of electricity through the system.

  • 4. Where can I find a wiring diagram for my Bajaj Pulsar?
  • You can find a wiring diagram for your Bajaj Pulsar in the vehicle's service manual or online. Many websites offer wiring diagrams for various vehicle models, including the Bajaj Pulsar.

  • 5. Can I use a wiring diagram to install aftermarket accessories?
  • Yes, a wiring diagram can be used to install aftermarket accessories on your Bajaj Pulsar. It provides the necessary information to make the proper connections and ensure that the accessories function correctly.

Label :bajaj pulsar, wiring diagram, electrical system, troubleshooting

Keyword : Bajaj pulsar wiring diagram

No comments:

Post a Comment